Главная
»
Stm32 usb host
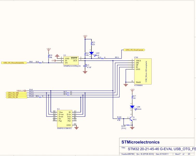
Stm32 usb host. Usb otg stm32. stm32 usb. stm32 eval.
« Предыдущее
4 / 40
Следующее »