
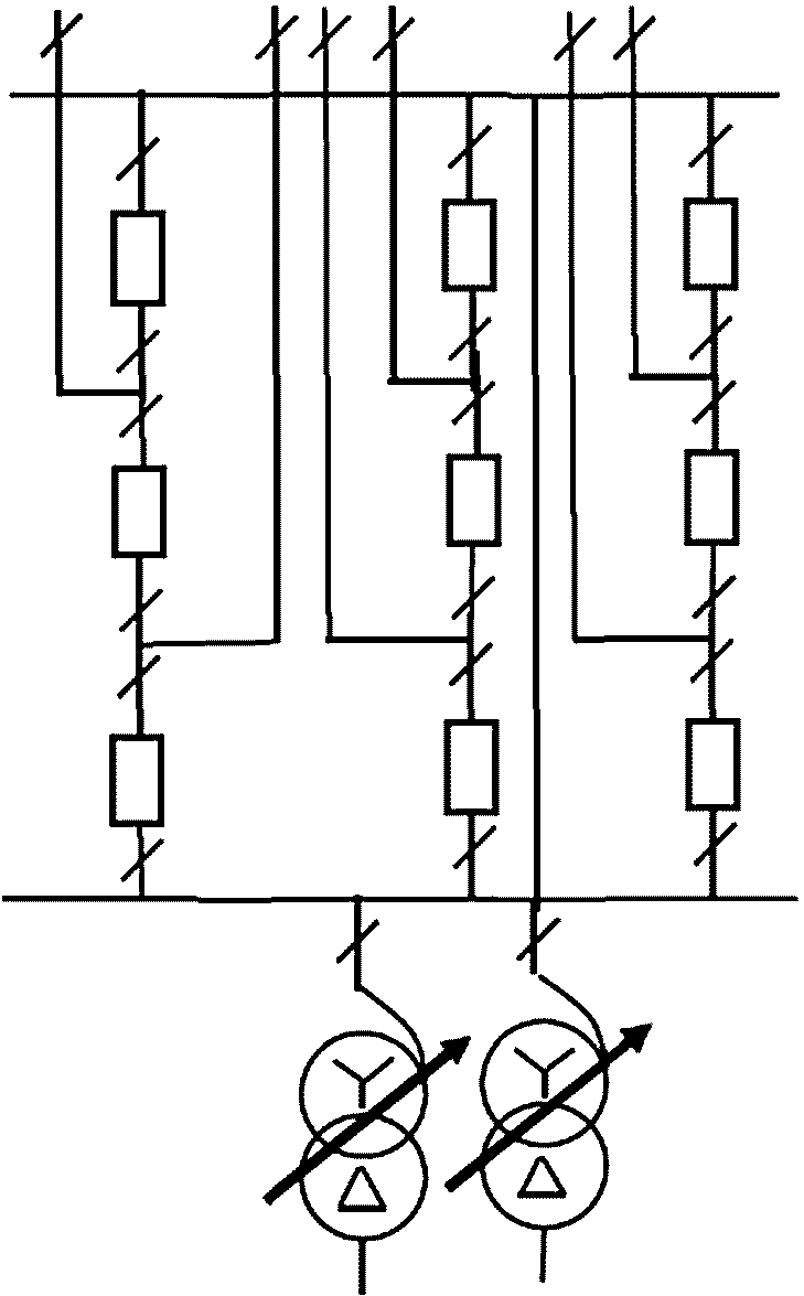
Схема трансформатор шины. Схема трансформаторы-шины с полуторным присоединением линий. трансформаторы шины с полуторным присоединением линий. схема трансформатор шины с тремя выключателями на присоединение. трансформаторы – шины с присоединением линий через два выключателя.
