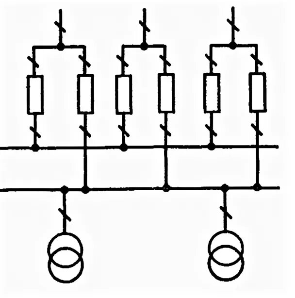
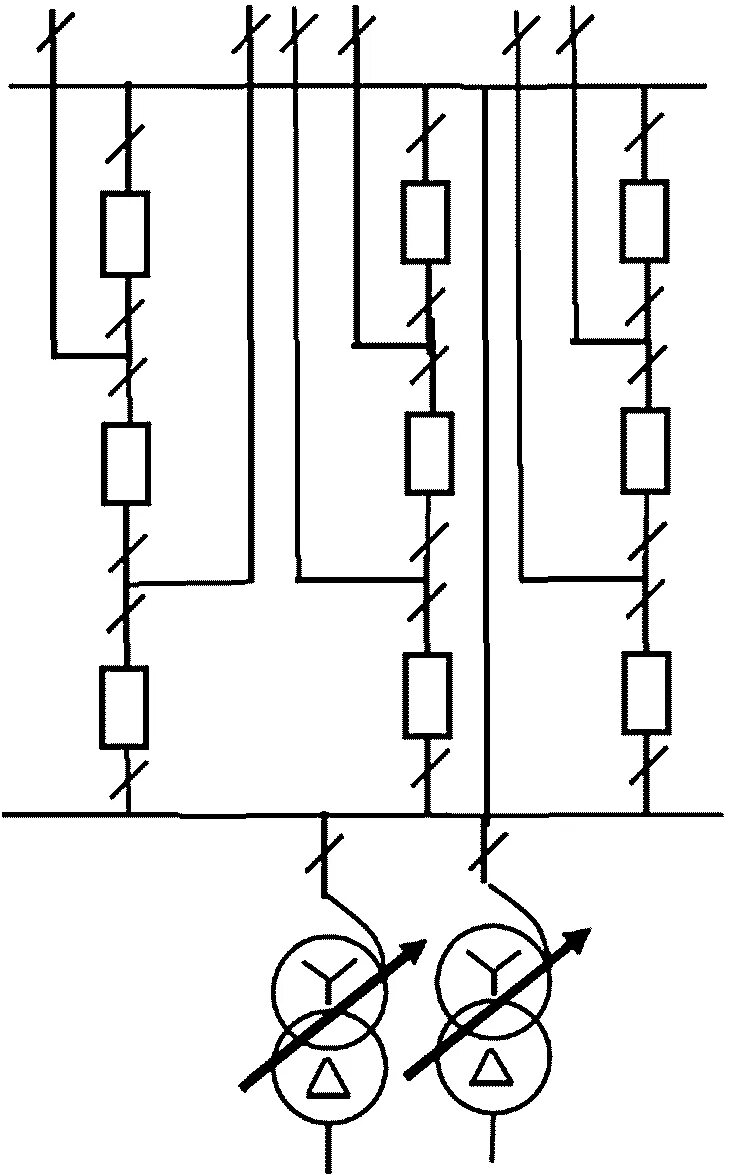
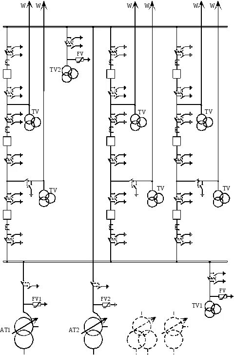
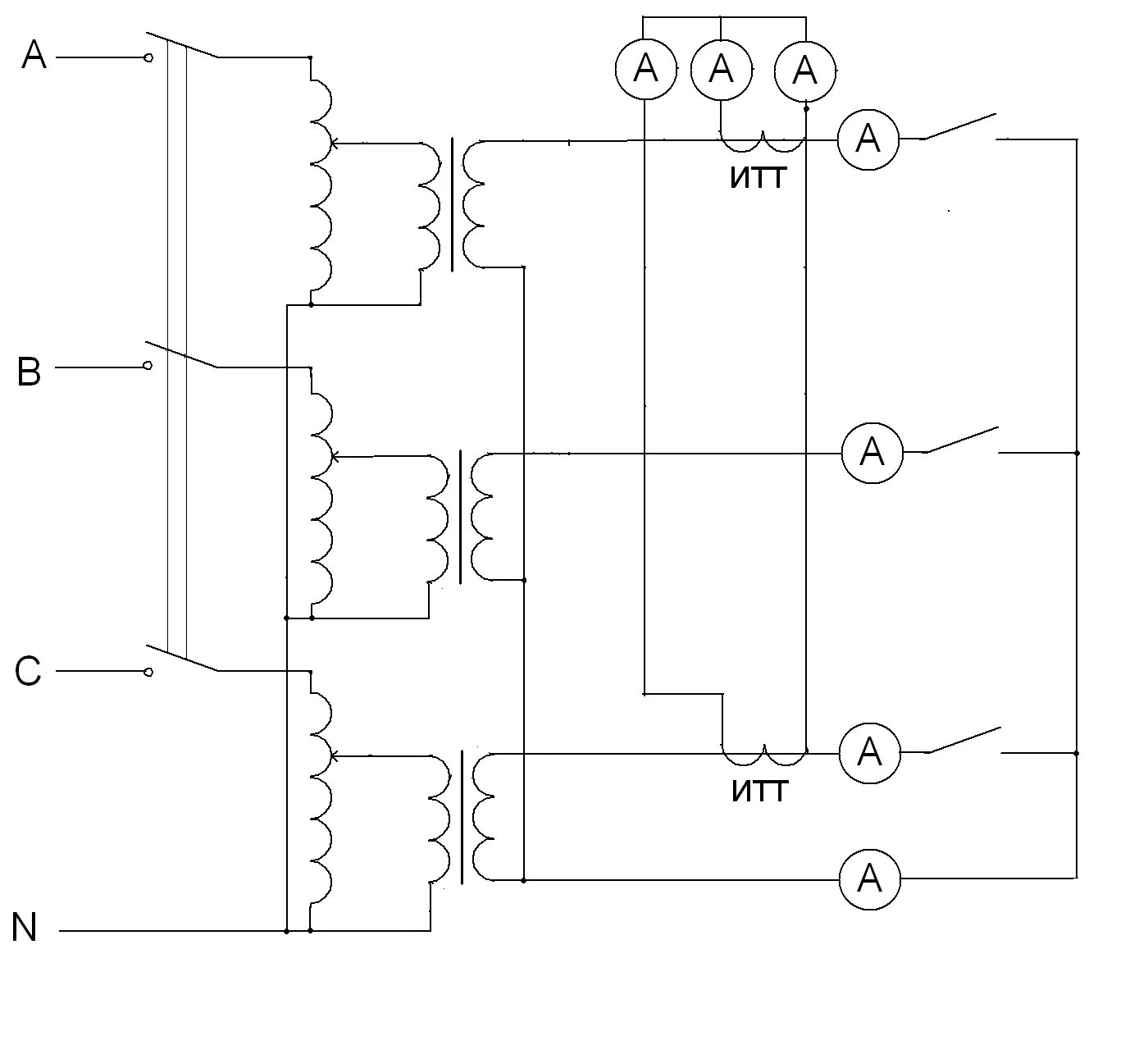
Схема трансформатор шины