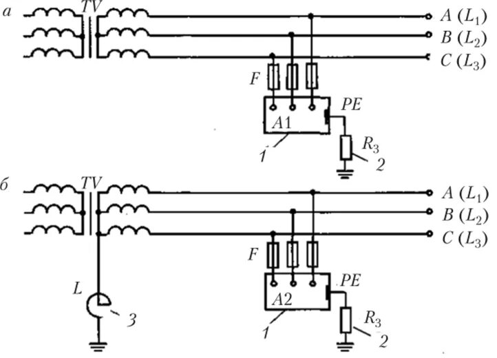
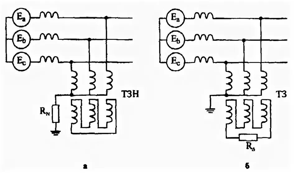
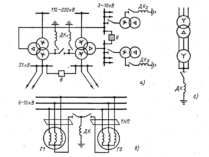
Заземление нейтрали 10 кв