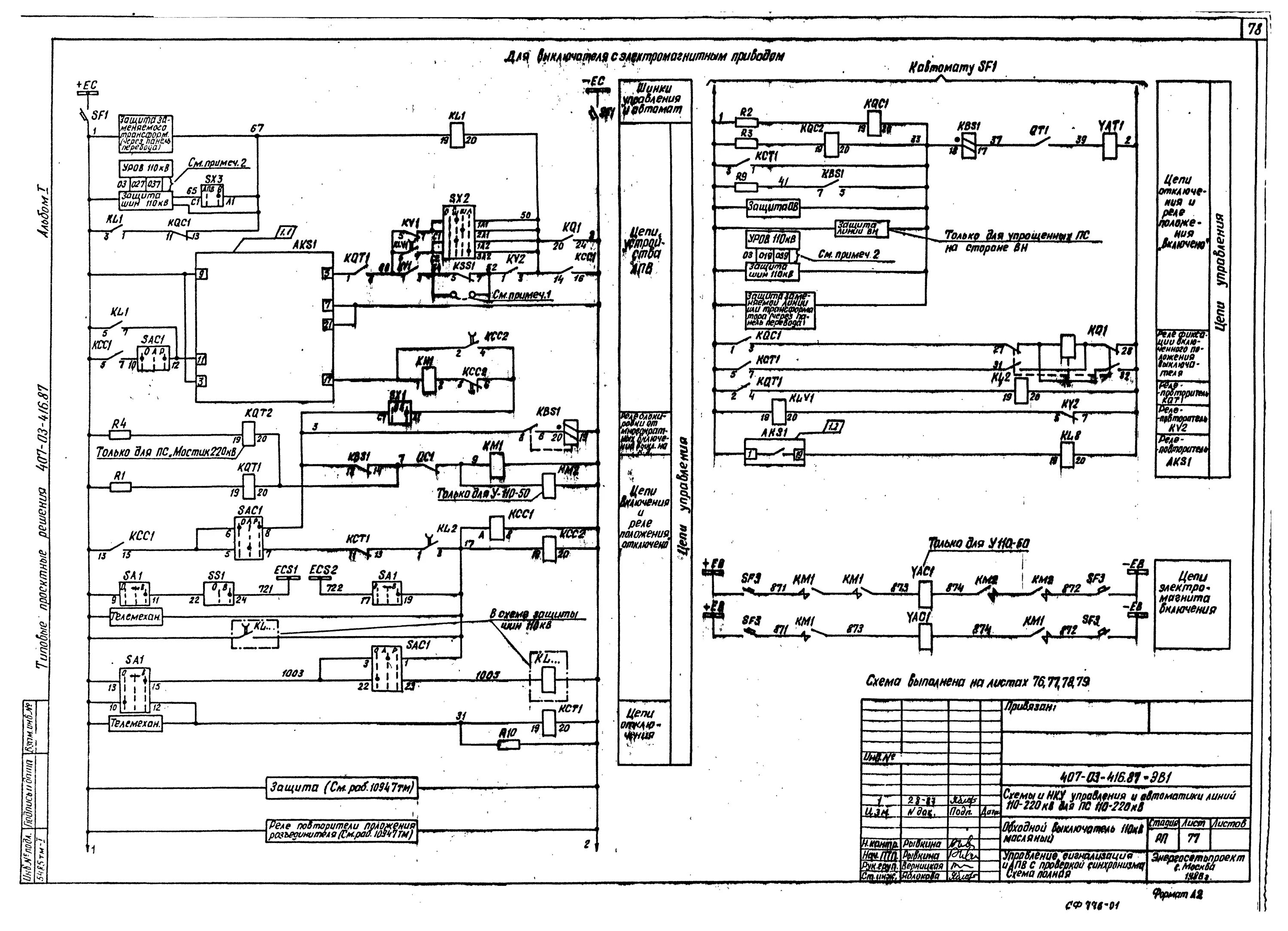
Защита линии сигнализации