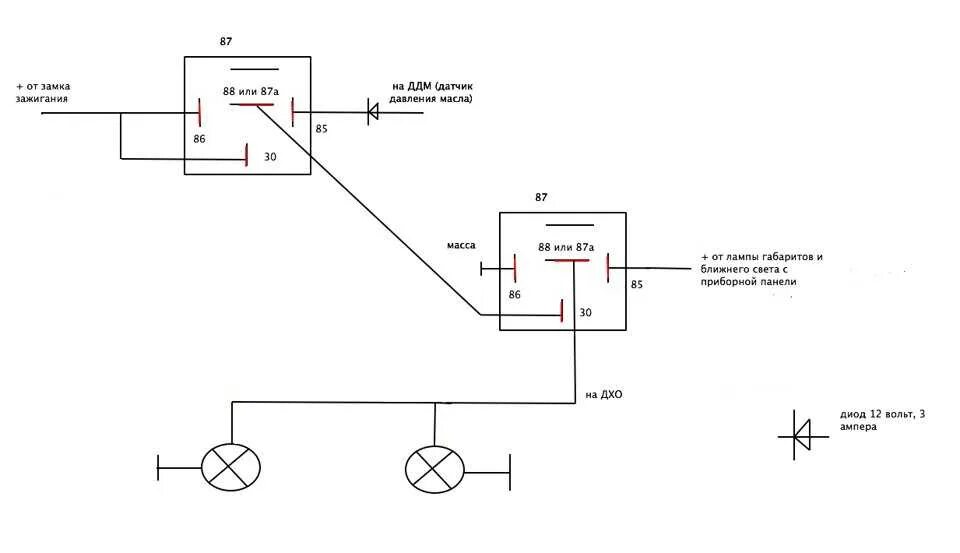
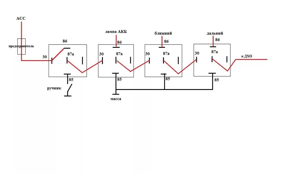
Запуск дхо после запуска двигателя