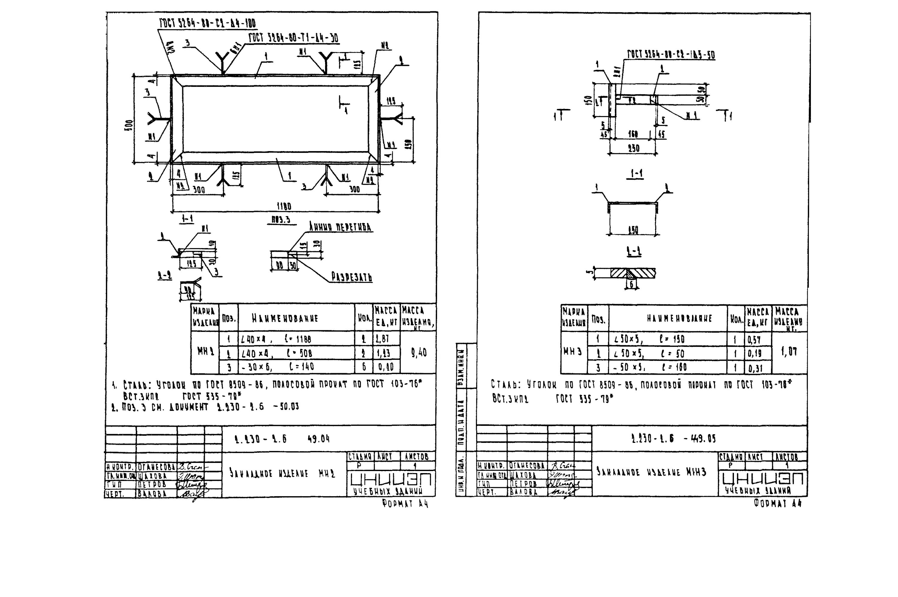
Закладная мм1