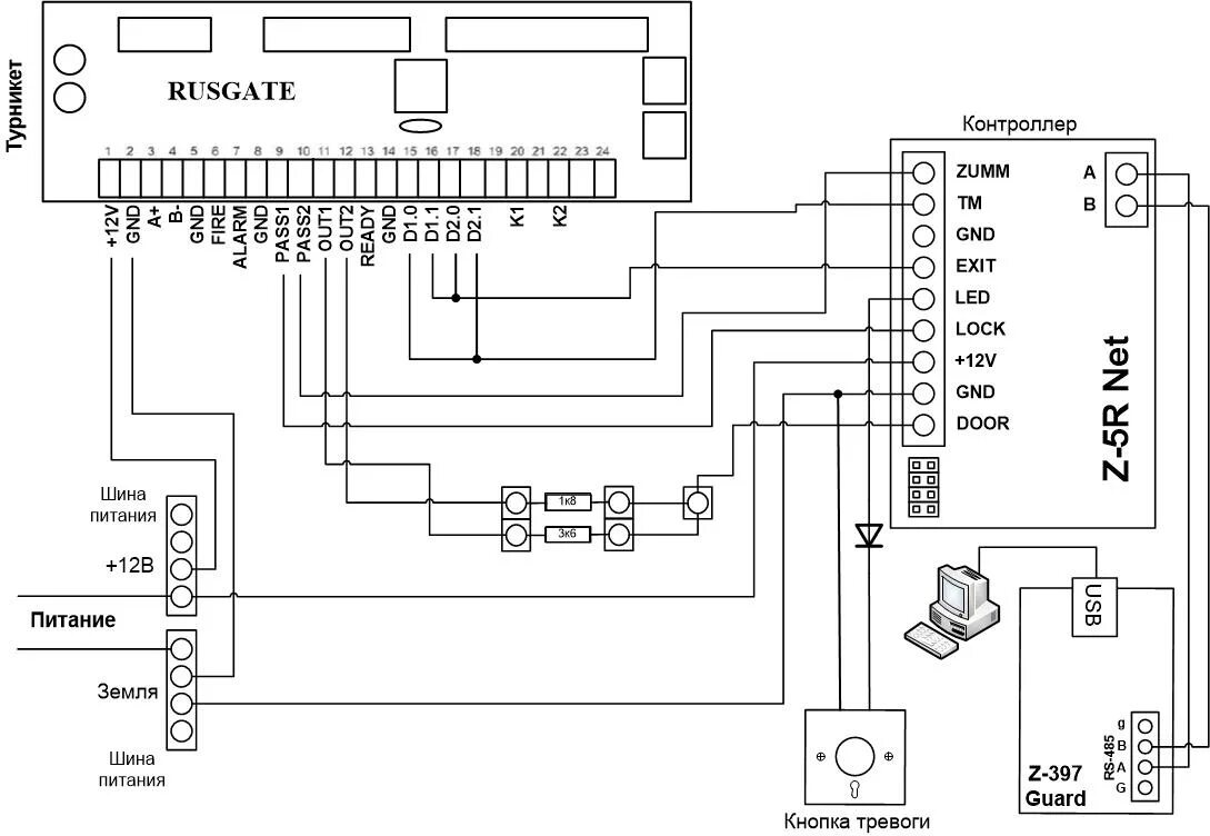
Z 5r мод net