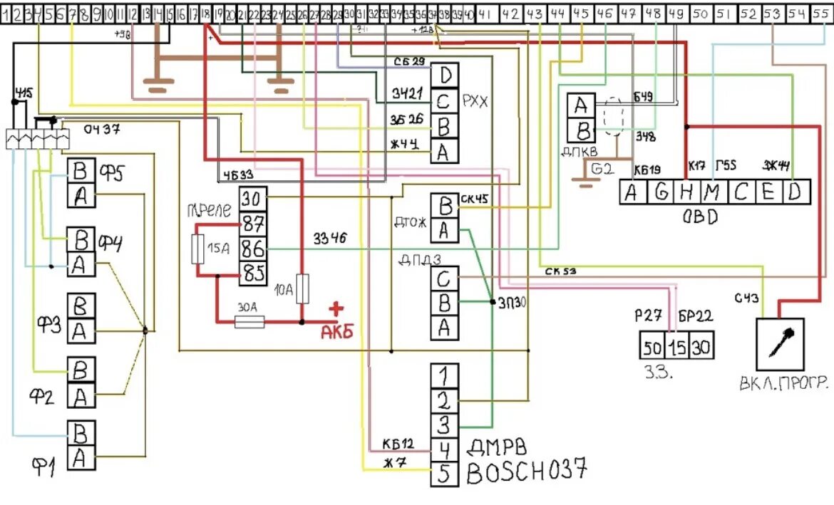
Январь 5.1 1 71 схема