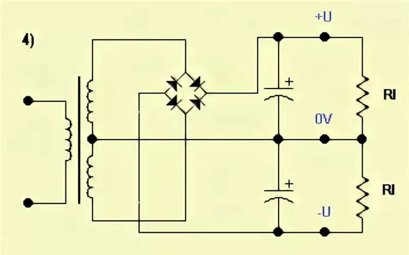
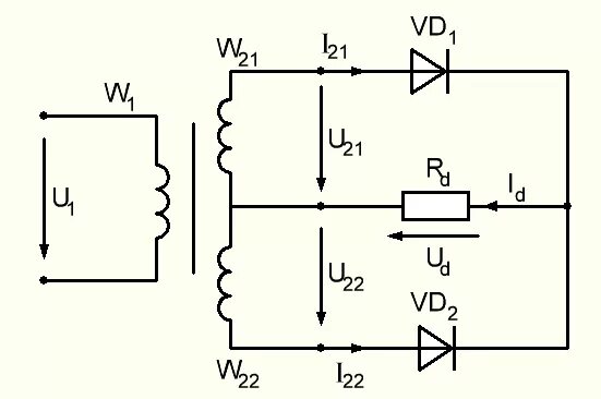
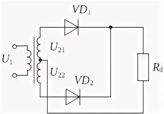
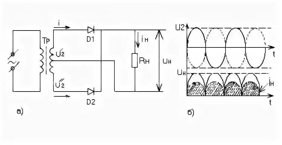
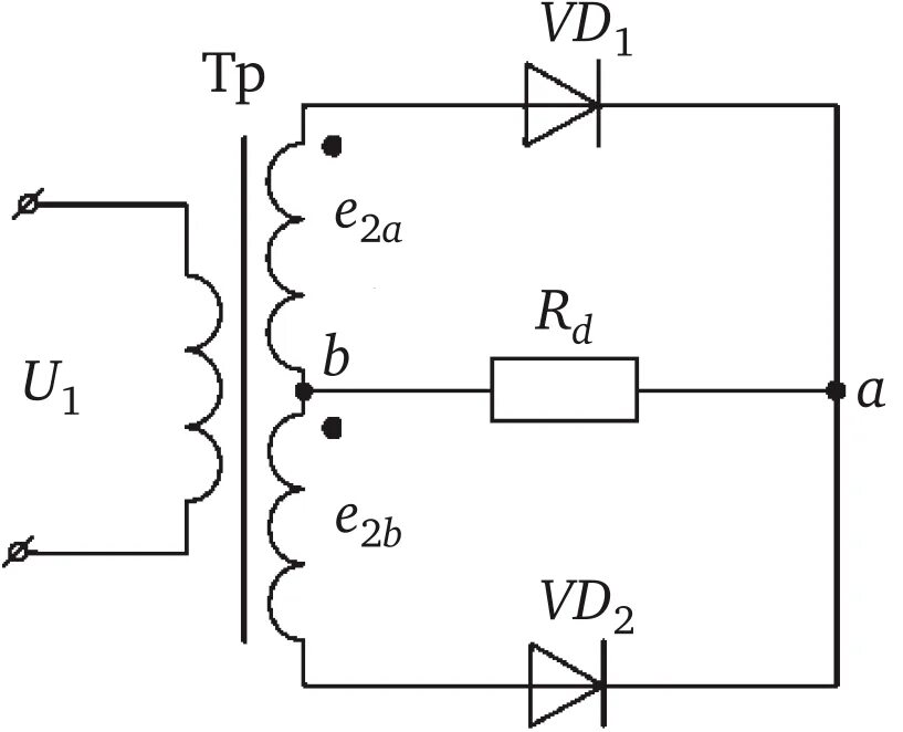
Выпрямитель со средней точкой трансформатора