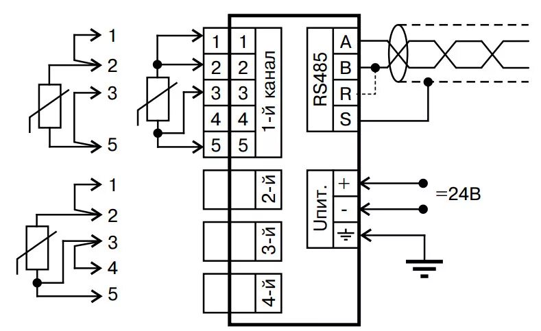
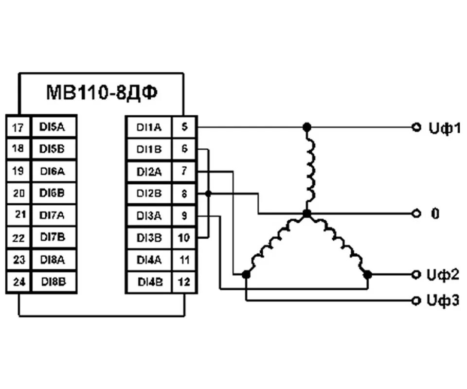
Ввод дискретных сигналов