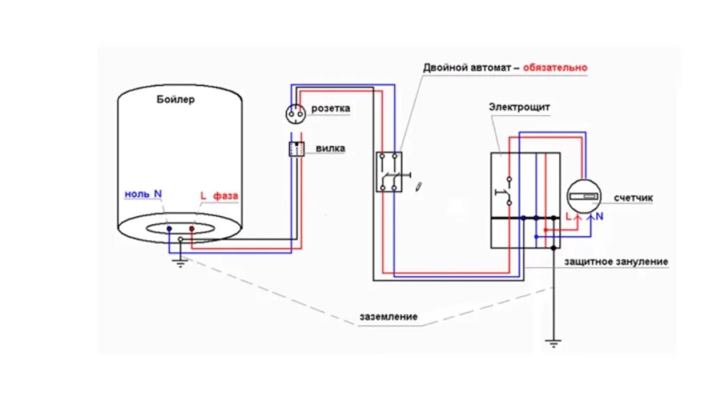
Водонагреватель литров подключение