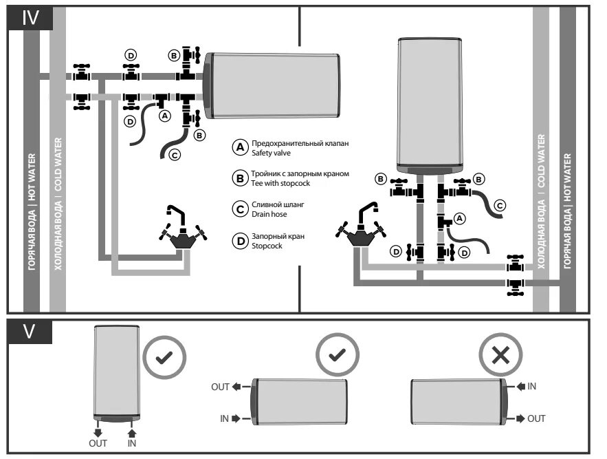
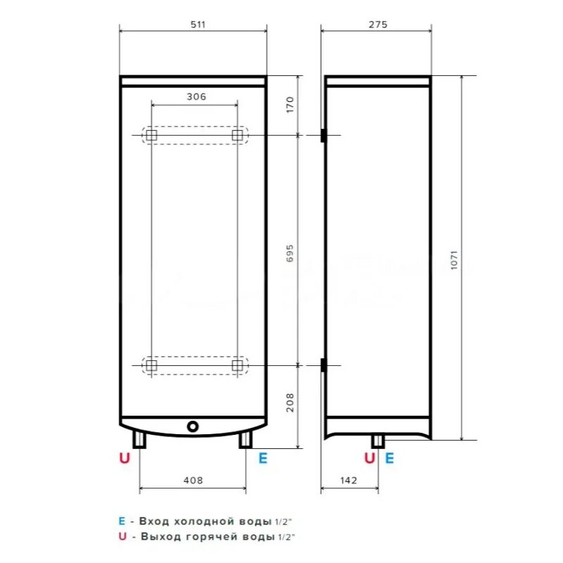
Vls pro r 50