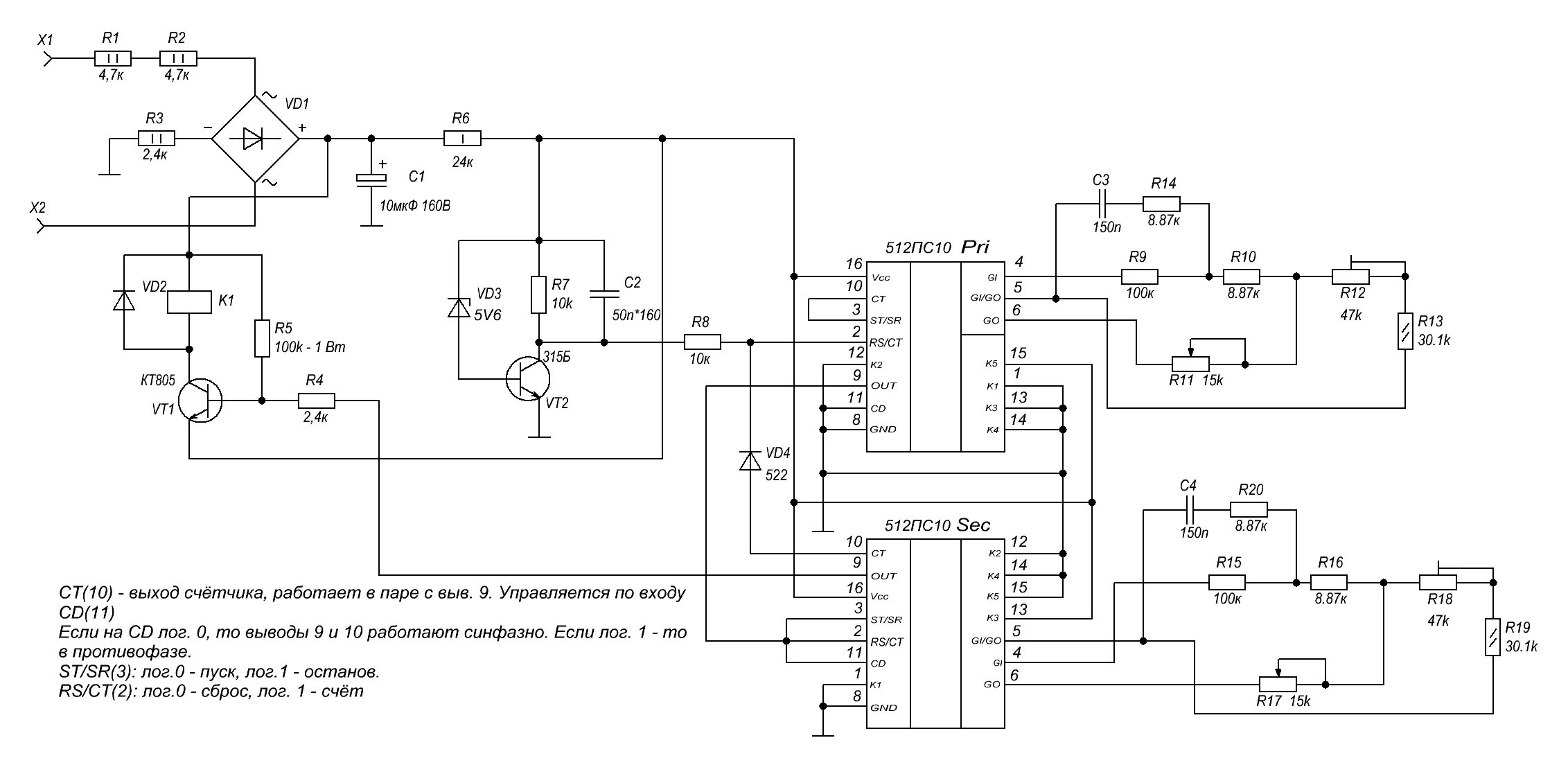
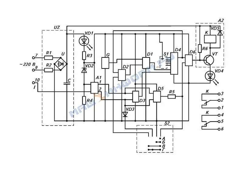
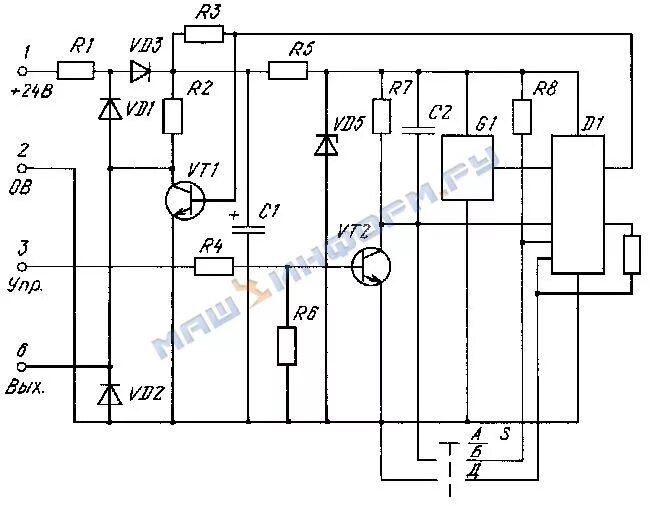
Вл ухл4