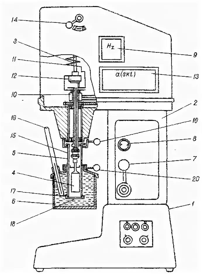
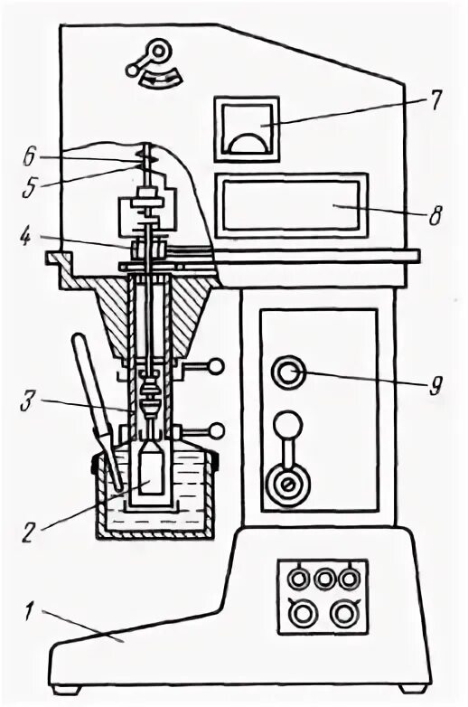
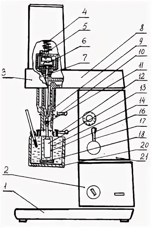
Вискозиметр реотест