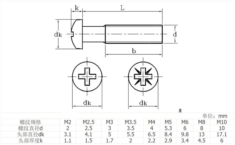
Винт под крестовую отвертку