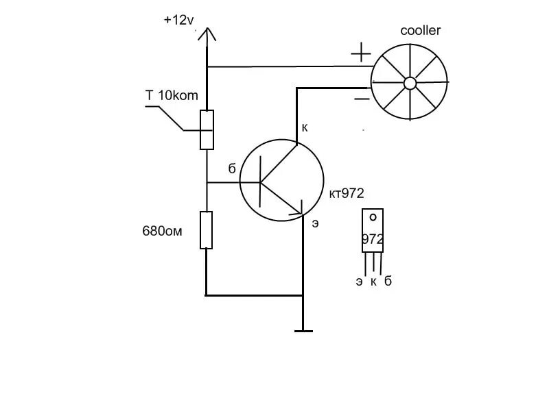
Вентилятор с датчиком температуры