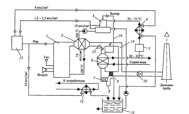
Утилизация теплоты газов