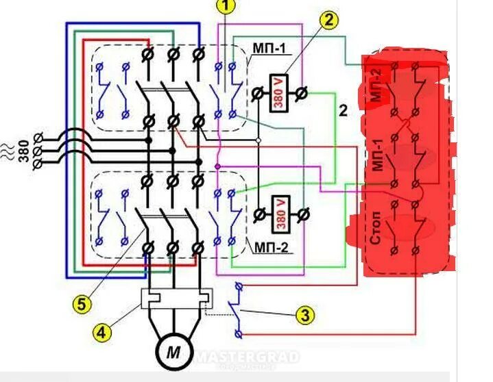
Установка реверса