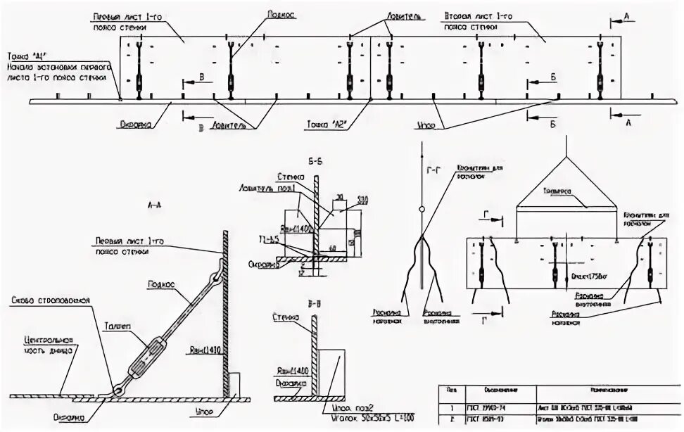
Установка лист 1