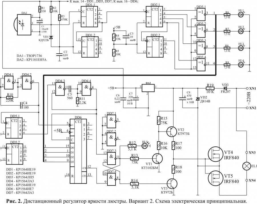
Управление дд