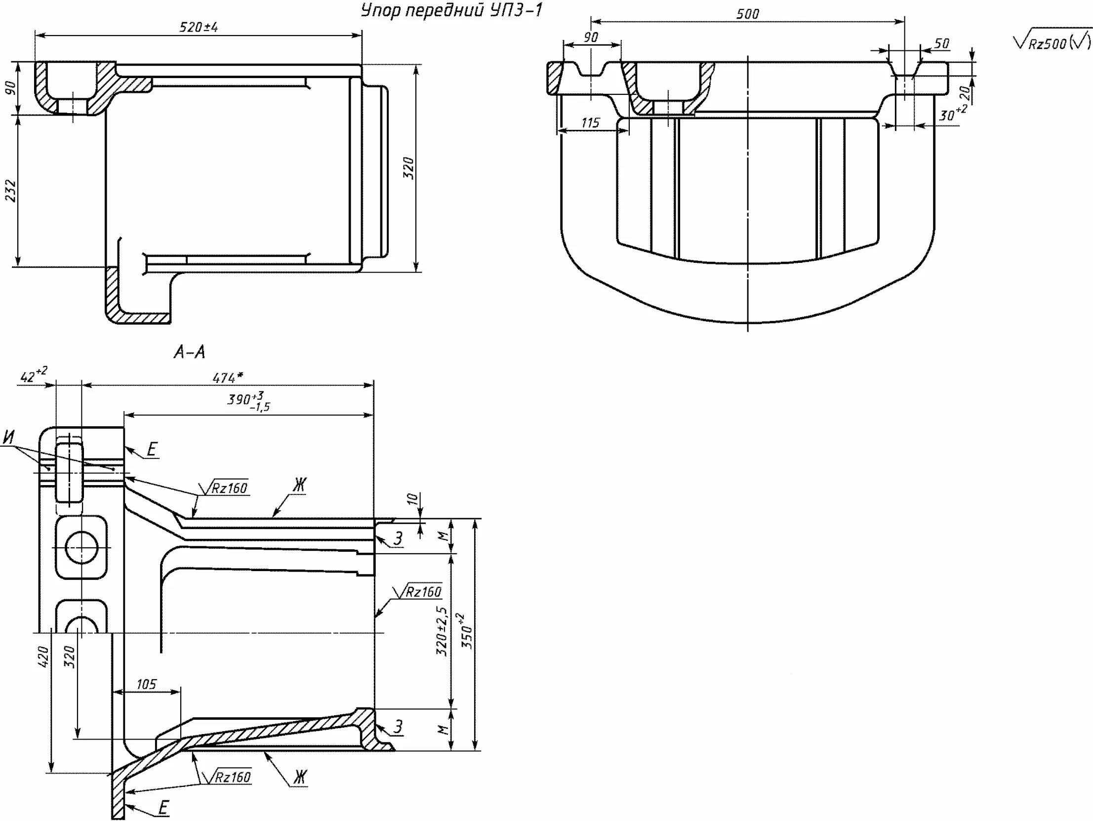
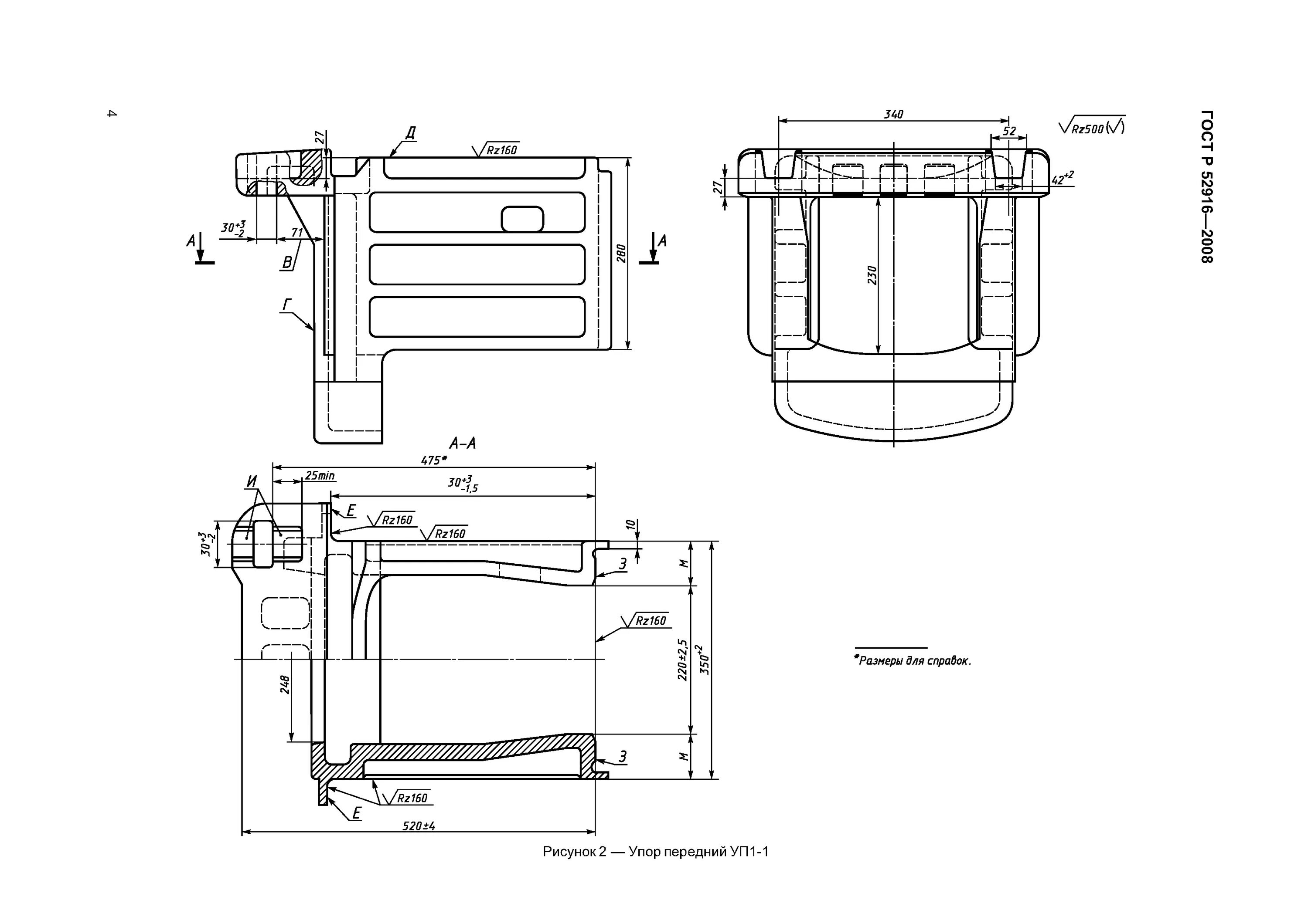
Упор 3.001 1 3