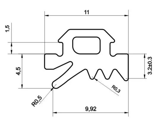
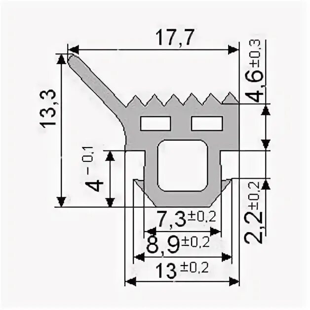
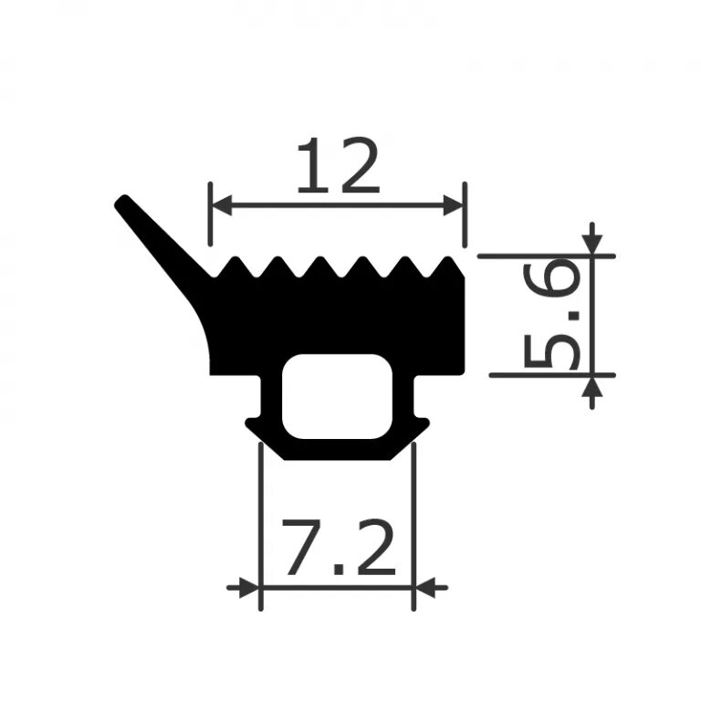
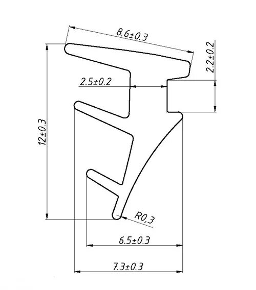
Уплотнитель тпу