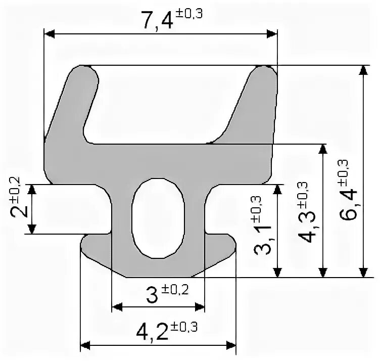
Уплотнитель 103