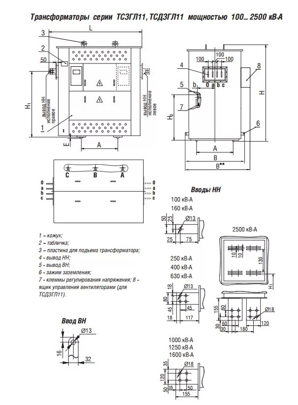
У3 трансформатор