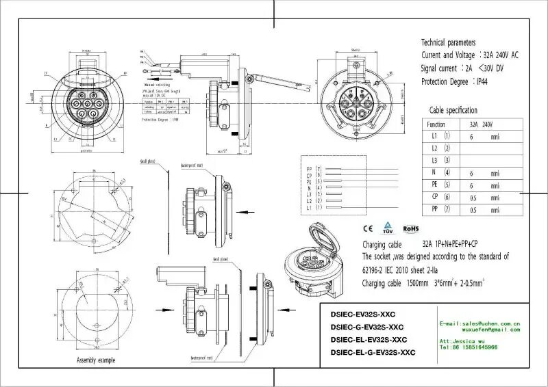
Type 2 socket