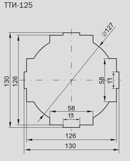
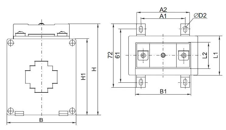
Ттк трансформаторы