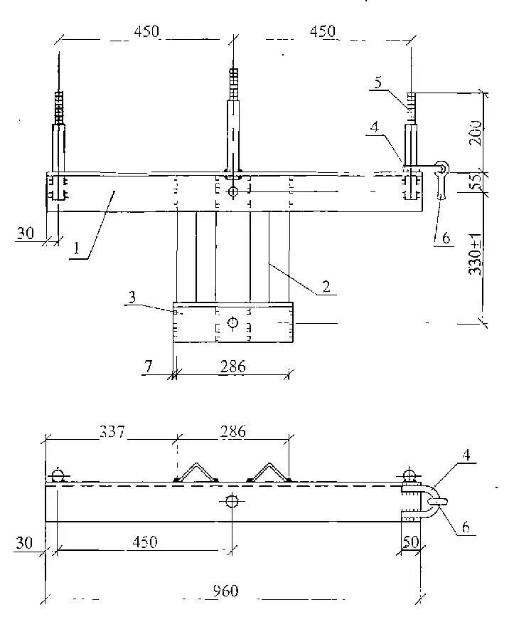
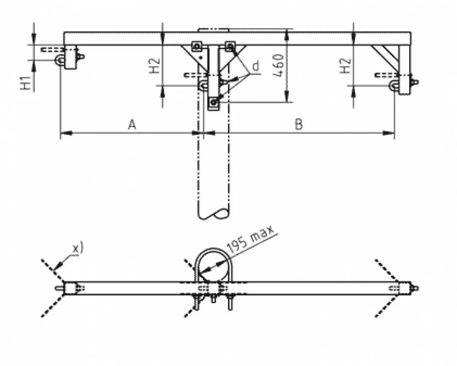
Траверса для сип