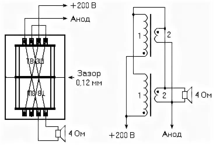
Трансформатор твз 1 9