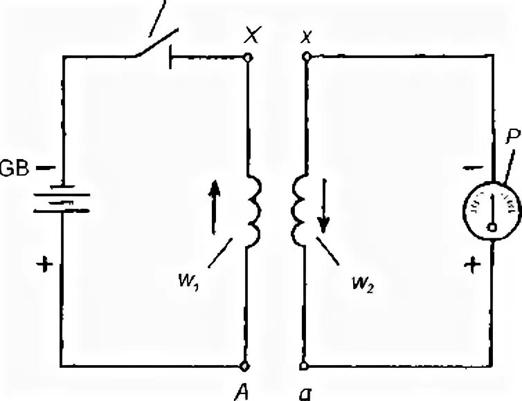
Трансформатор полярность