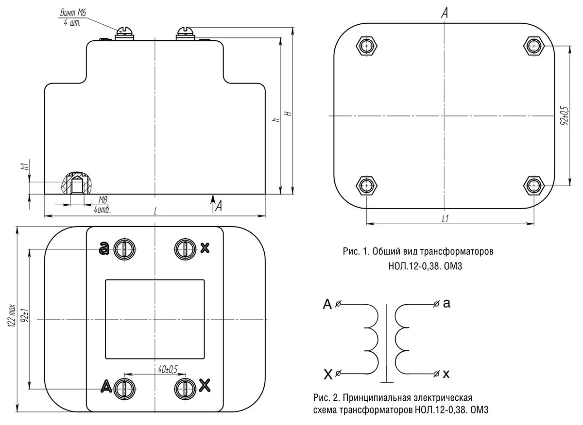
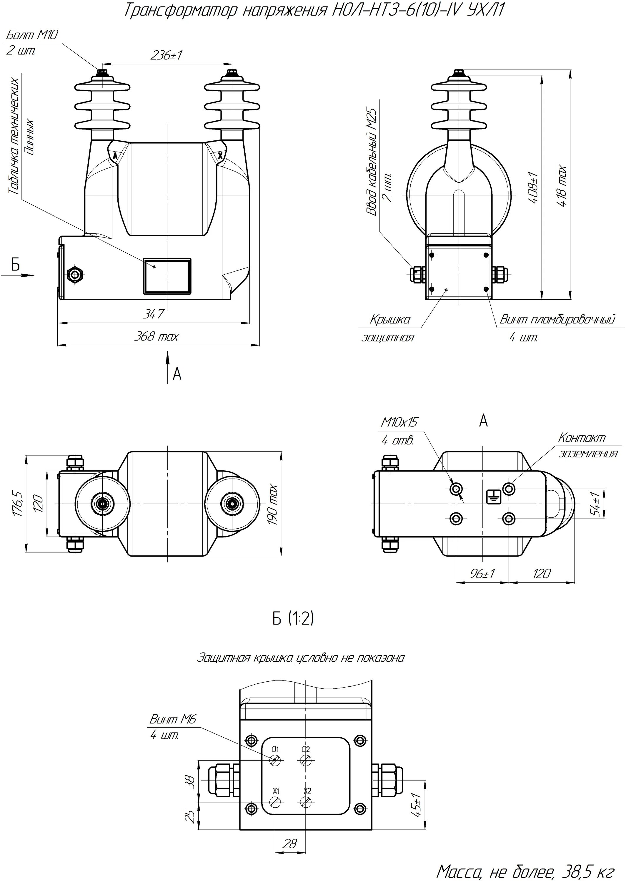
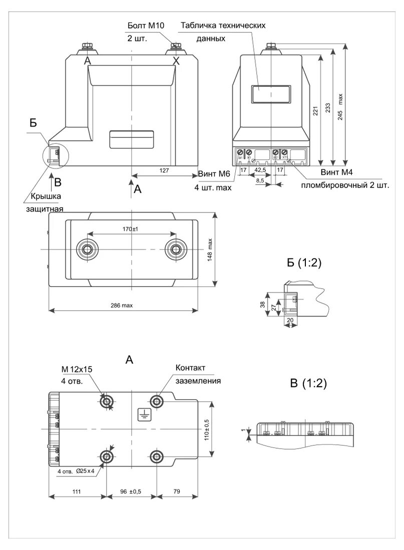
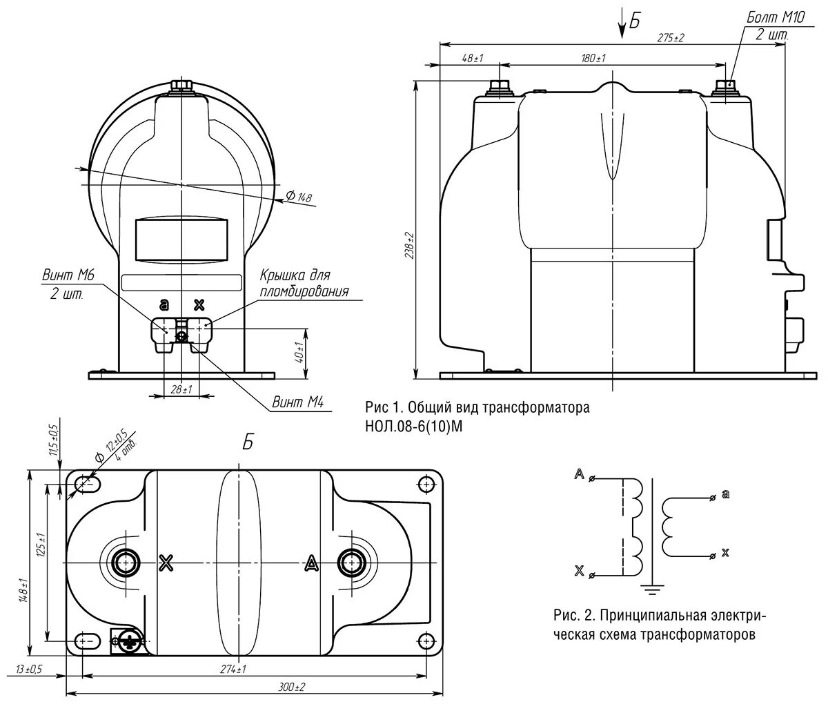
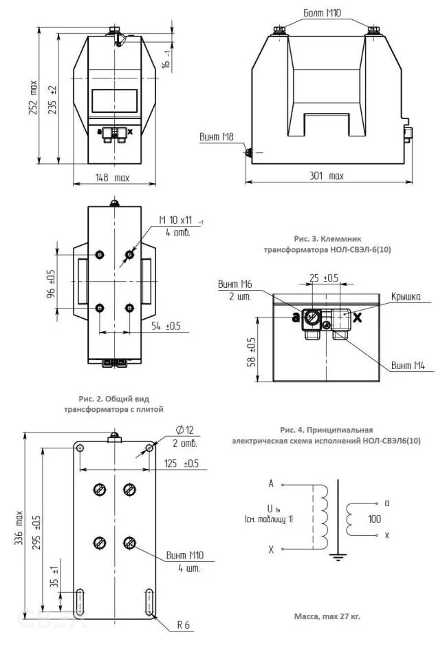
Трансформатор напряжения нол 10