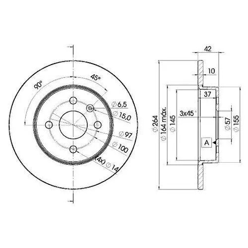
Тормозной диск задний зафира