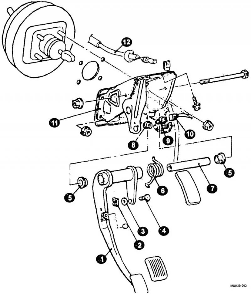
Тормозная система мицубиси