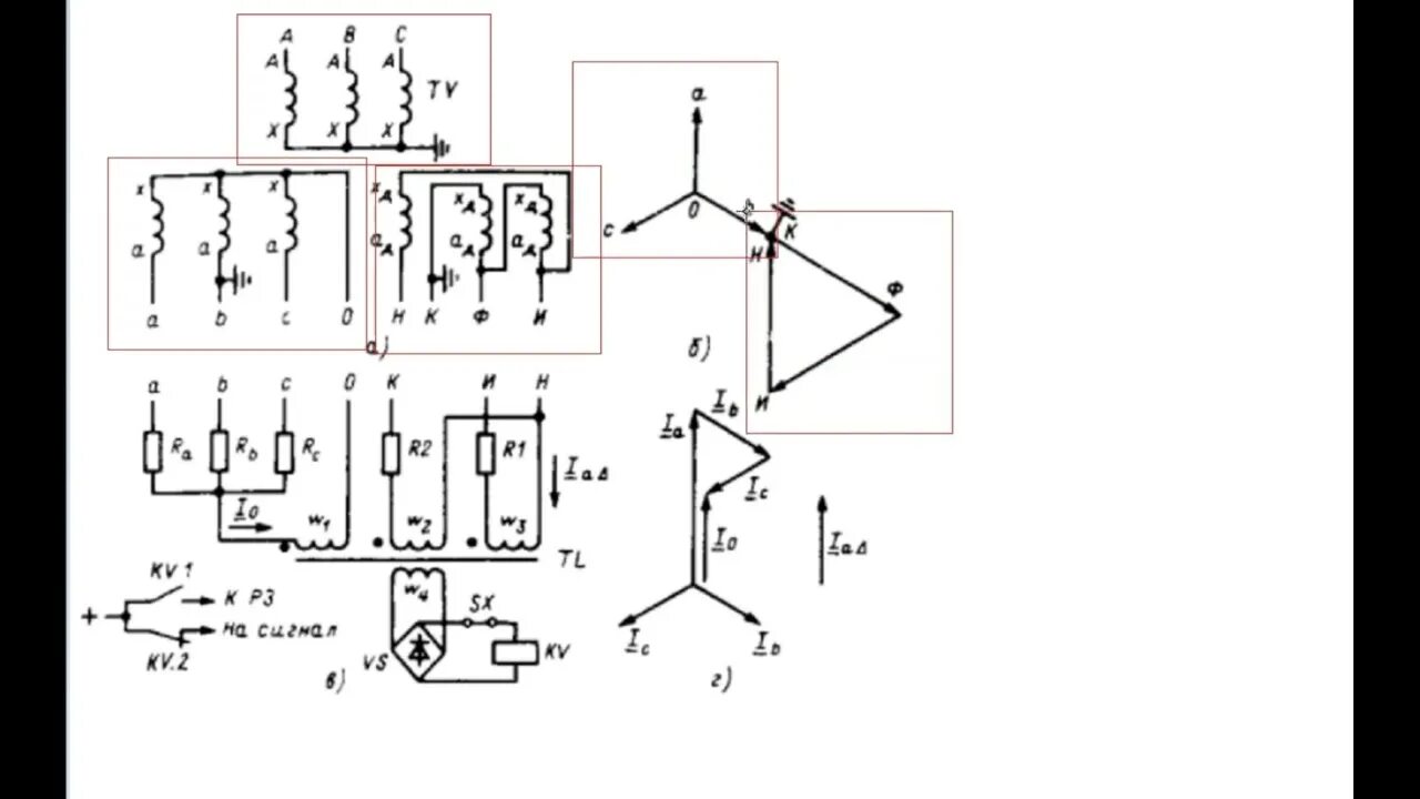
Тн напряжение