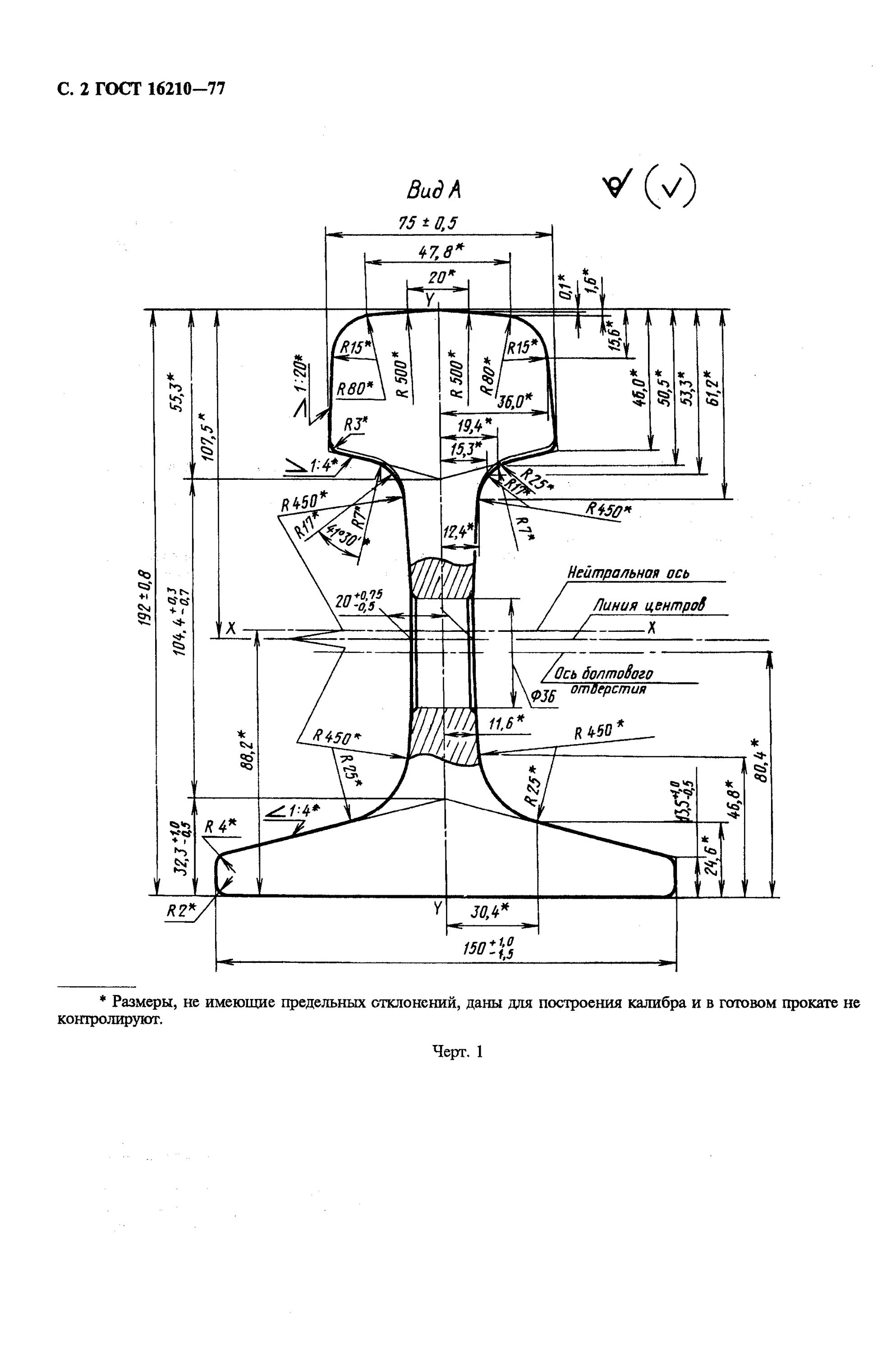
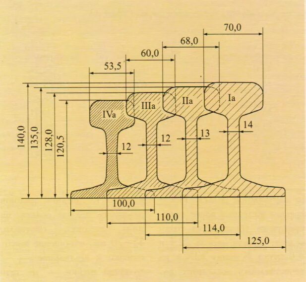
Типы рельсов