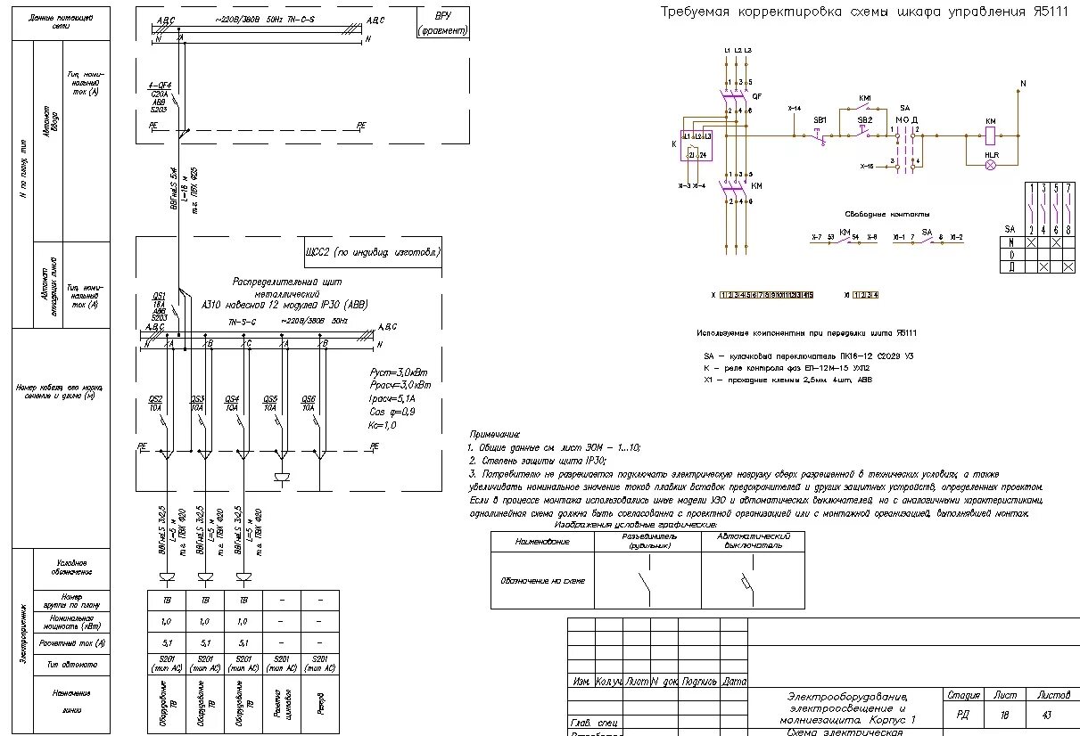
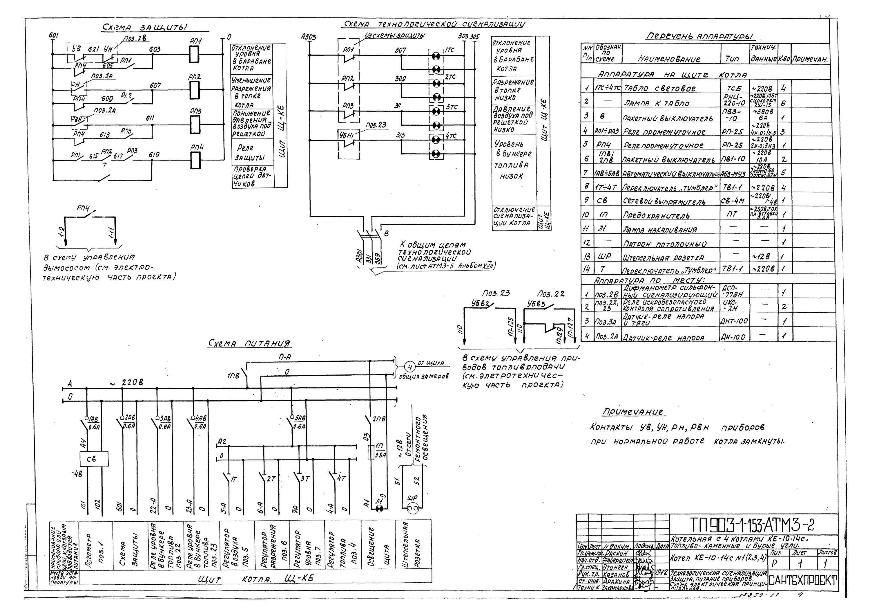
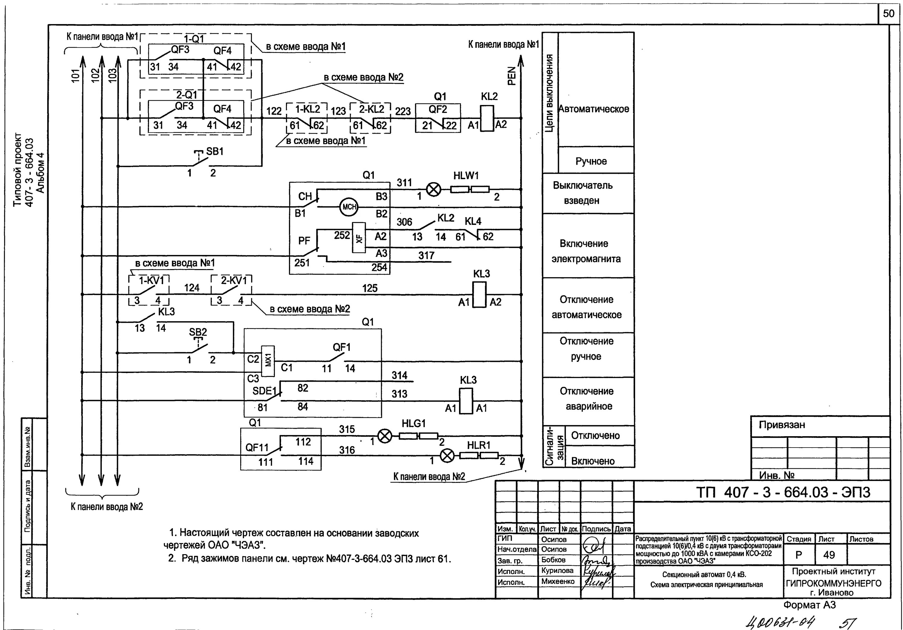
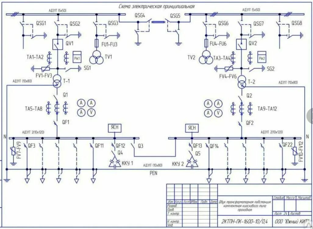
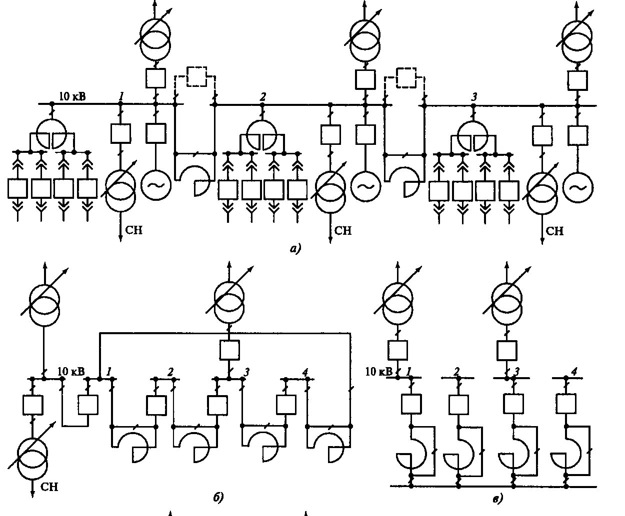
Типовые электрические устройства