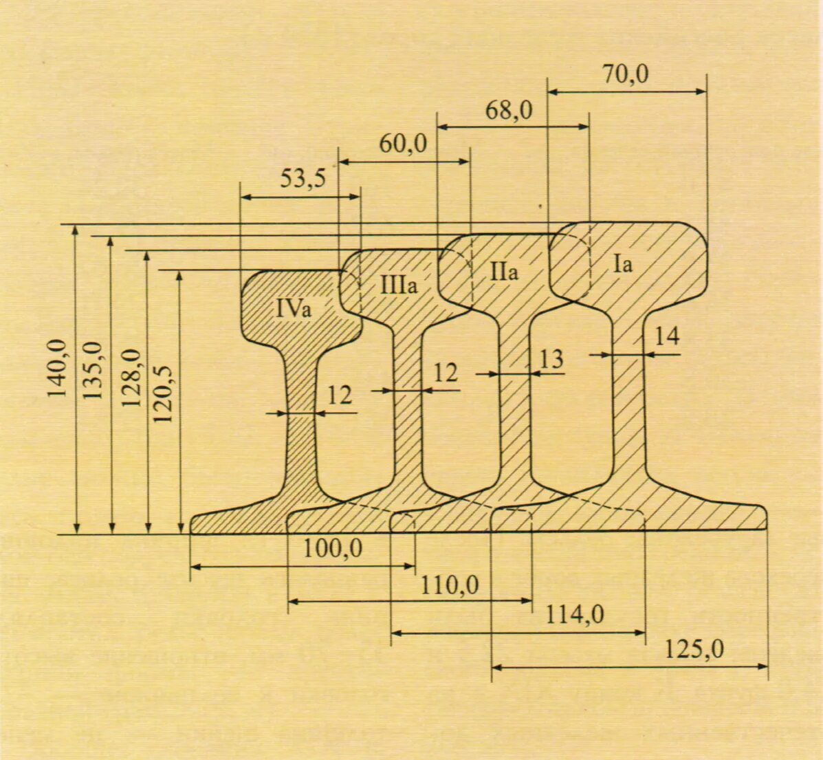
Тип рельсов р 65