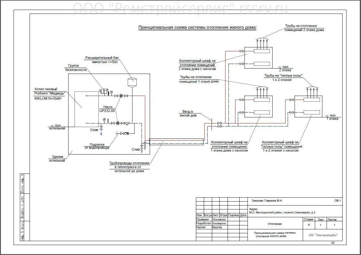
Теплоснабжение система отопления здания