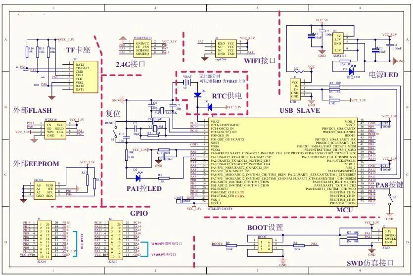
Stm32f103c8t6 распиновка