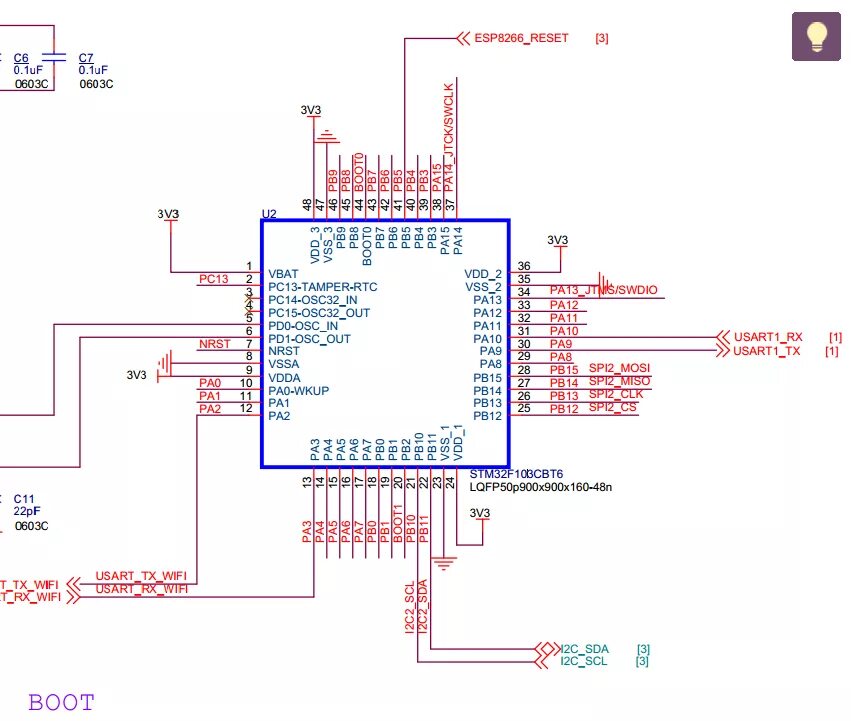
Stm32 bootloader