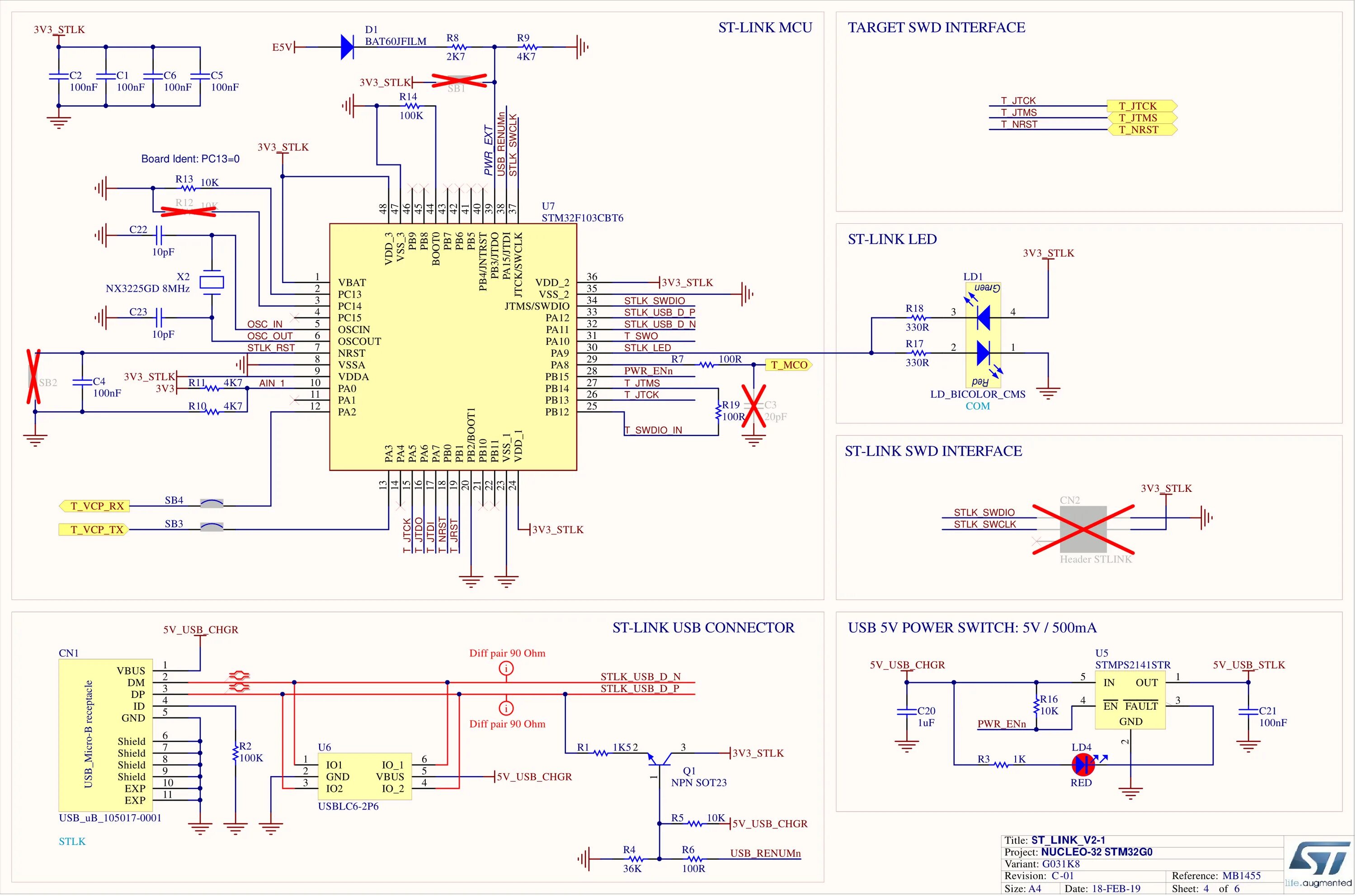
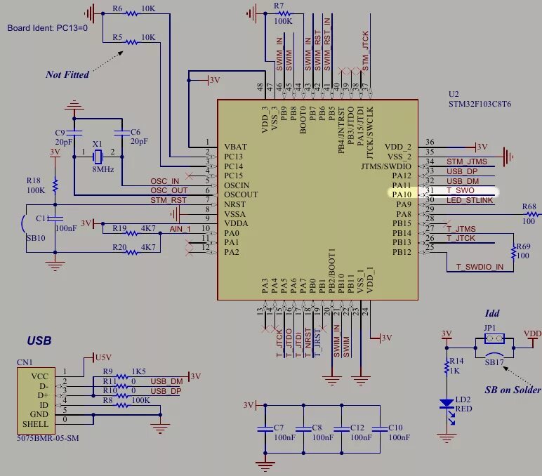
St link v2 программа