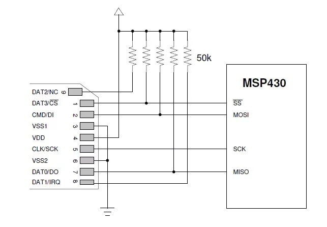
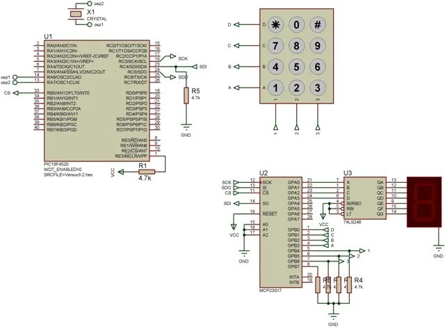
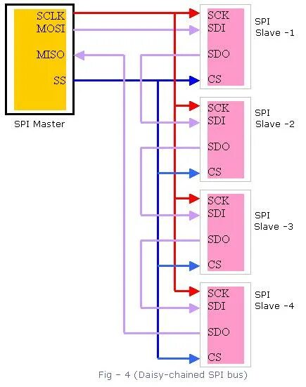
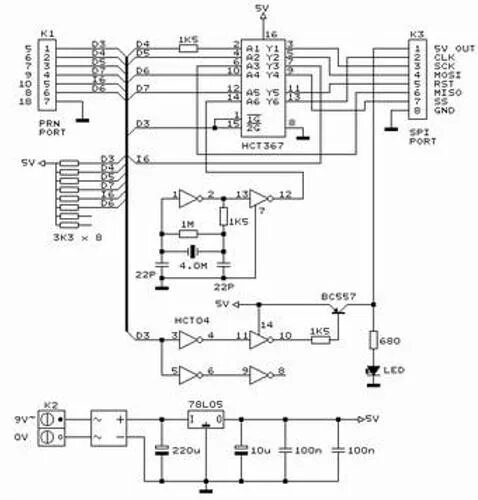
Spi микроконтроллера