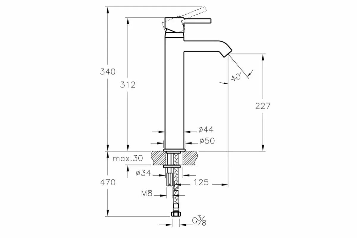
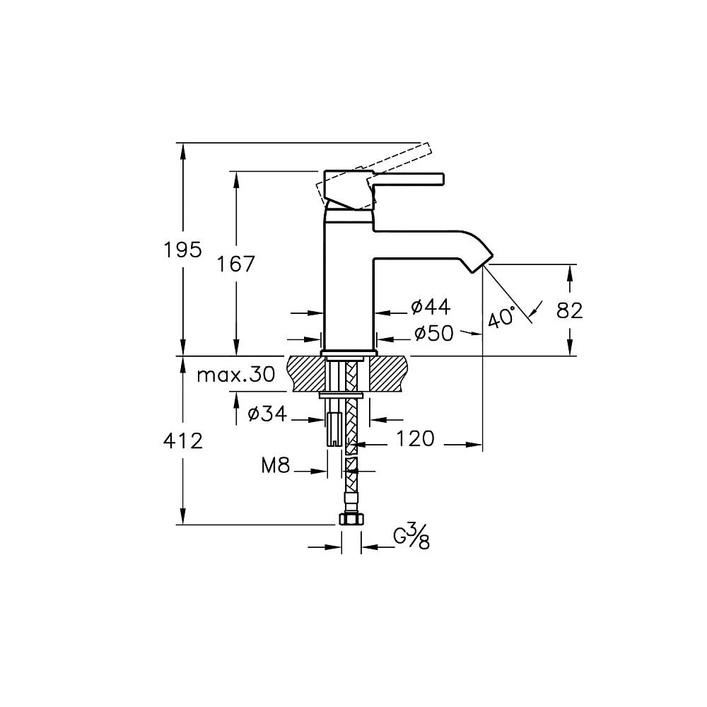
Смеситель minimax s