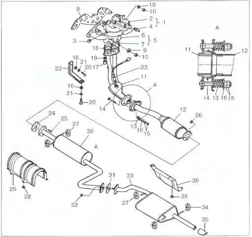
Система выхлопной системы сенс