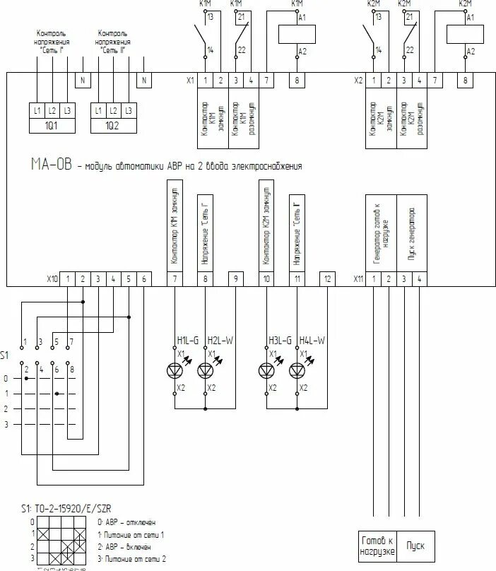
Система управления резервным питанием