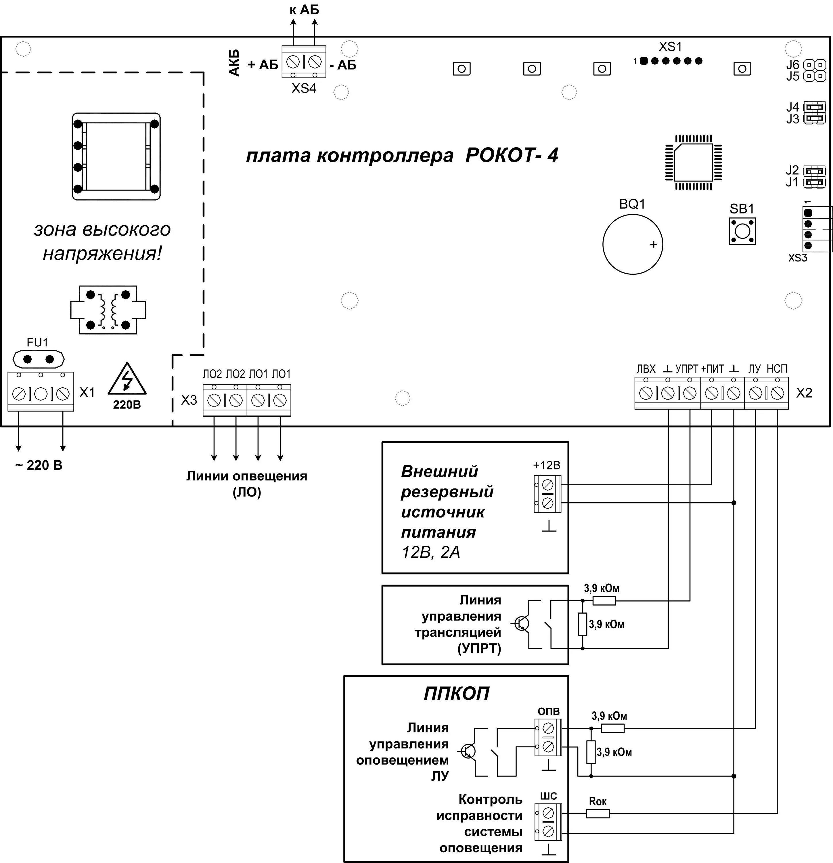
Система рокот