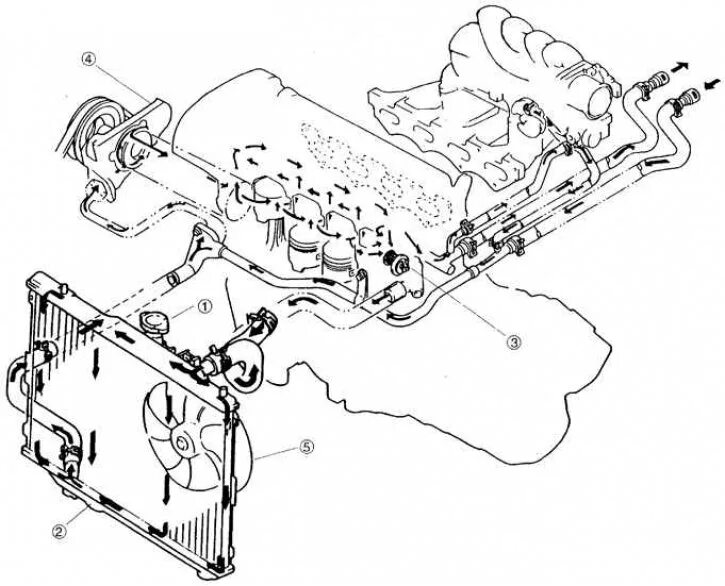
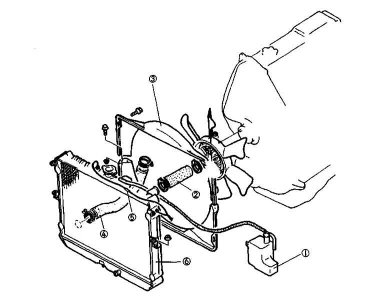
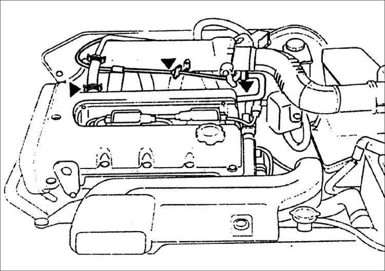
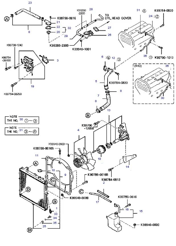
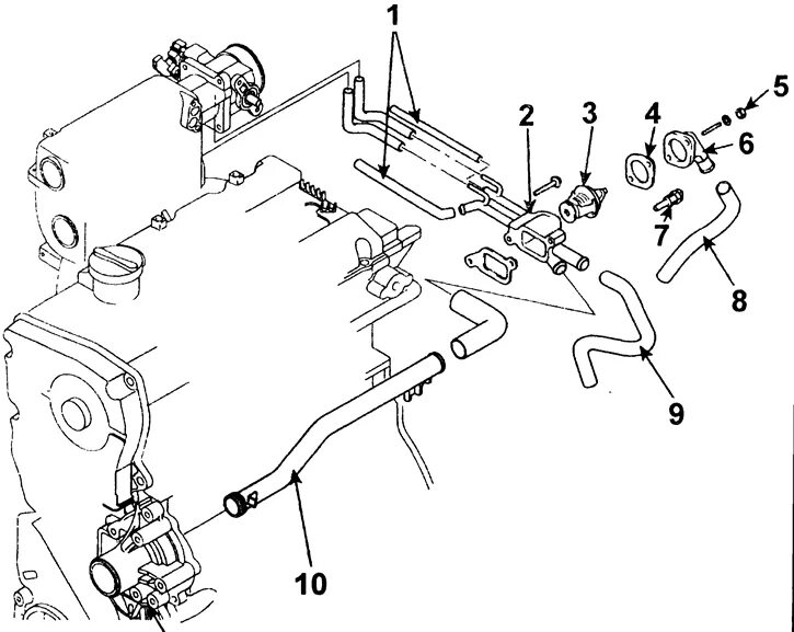
Система охлаждения спектра