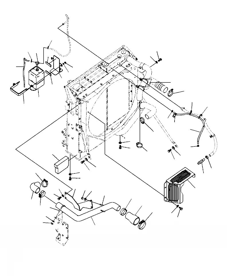
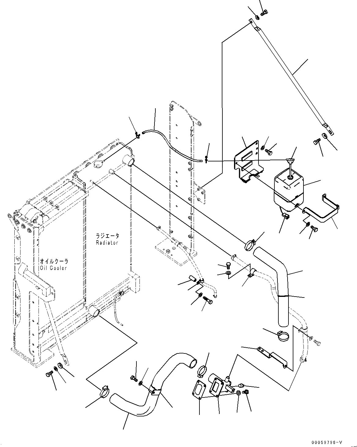
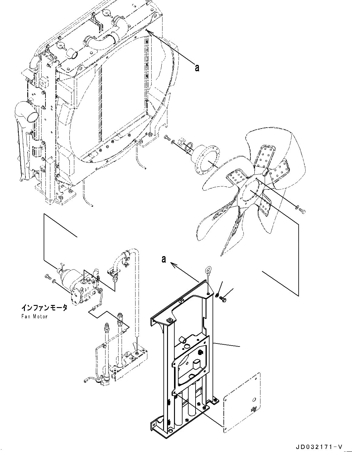
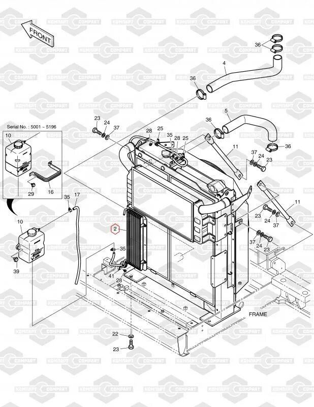
Система охлаждения экскаватора