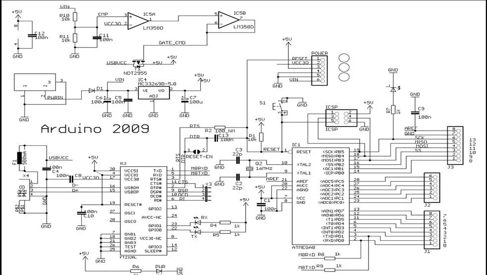
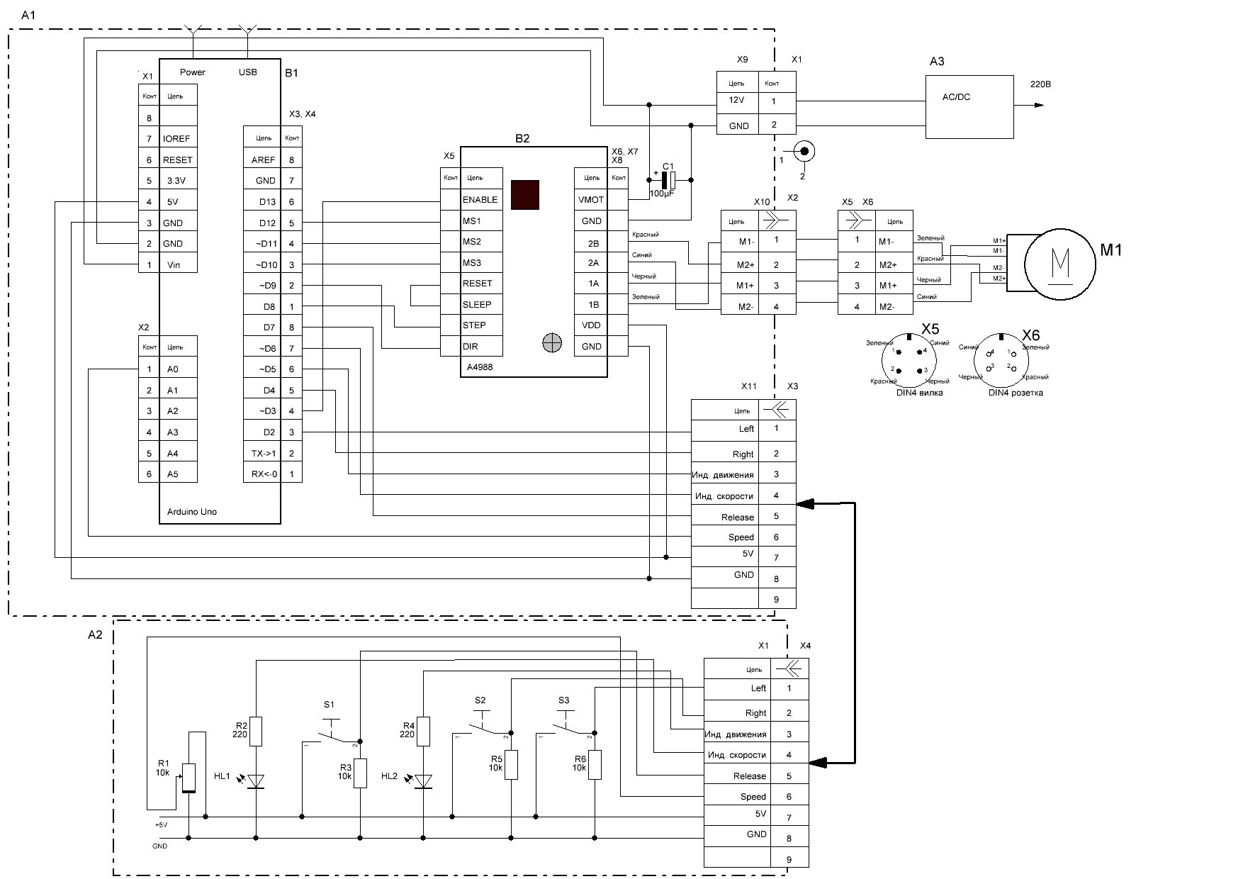
Схемы плат ардуино