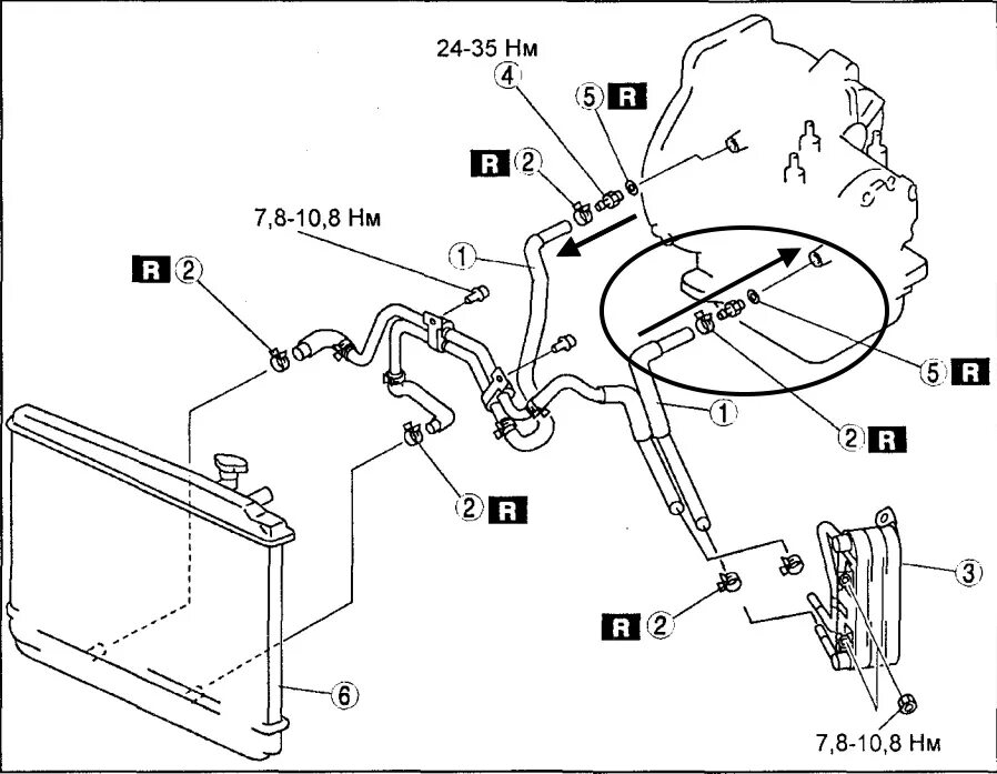
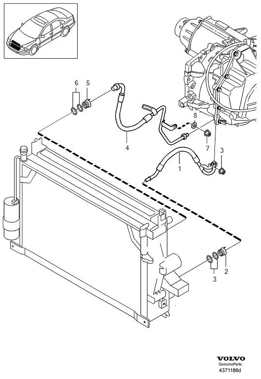
Схемы охлаждения акпп